PA旗舰厅官网

中文 EN
返回
自动分桶机、卸桶机
自动分桶机、卸桶机
自动分桶机、卸桶机
自动分桶机、卸桶机
所属分类:单机产品
产品详情

自动分桶机,通过动力输送机、上桶机构、分桶机构和出桶机构,对采用敞口20L带有锥度可以套叠在一起的塑料或金属桶实现自动化分离和输送,将其输送到下一工位等待灌装。减轻工人劳动强度。

自动卸垛机是将在垛板上的空桶有组织卸到进桶输送线上,还可以自动分离垛板及分隔纸皮。

适用于高效大产量自动化灌装线配套。


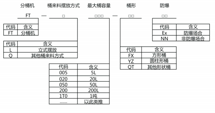
产品选型表

自动分桶机、卸桶机

例:FT-L020-YZEx表示分桶机参数为:空桶立式摆放,桶形为圆柱形,最大桶容量为20L,防爆场合。


主要功能

  • 可选用于防爆场合,防爆等级ExDIIBT4

  • 适应不同桶型的兼容性调整,可通过简单调整达到兼容要求

  • 高效,节省人工

  • 整机结构紧凑,立式存放空桶组,占地面积小

  • 产品工作可靠、性价比高,是替代人工的首选


填写信息获取相关资料

img

关注公众号

img

关注视频号

期待您的致电

售后服务:0756-8150114

销售专线:400-7808-806

期待您的来信

HR邮箱:hr@cxzia.com

邮箱:sales@cxzia.com