PA旗舰厅官网

中文 EN
返回
产品详情

适用范围:15L-200L桶装物自动码垛。


产品选型表

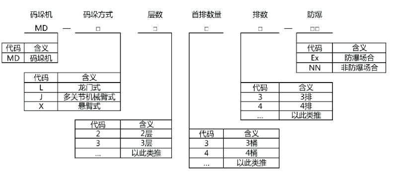
自动码垛机

例:MD-J243-Ex表示码垛机参数为:采用多关节机械臂式码垛,摆放2层桶,首排数量4个,排数3排,防爆场合。


主要功能

  • 与15L-200L桶自动灌装线配套,将成品桶通过机械手码放在托板上,叉车叉走

  • 整机由机架、工位传感器、定位装置、机械手、输送系统、上托盘系统、出垛板系统等组成

  • 堆垛数量可以根据客户需求定做


主要技术参数

序号

项目

性能

1

码垛能力

≥12 托/h,即≥180 桶/h

2

码垛速度

700桶/小时

3

配备电源

AC380 +10%-15% 50hz±2HZ

4

功率

7.3kw


填写信息获取相关资料

img

关注公众号

img

关注视频号

期待您的致电

售后服务:0756-8150114

销售专线:400-7808-806

期待您的来信

HR邮箱:hr@cxzia.com

邮箱:sales@cxzia.com